This type of check valve are used to stainless steel pipe line system.in order to prevent the fluid flowing back.
Check valve is a type of valve which open or close reply on the medium flow itself.The check valve
disc will open when the pressure of stem bottom exceed the stem aboved.The check valve dis will
close when the two pressure are equalled.So that the flow goes one way in the pipeline,and prevent
the fluid flowing back,avoid the accidents.
Various standards of valves can be provided to clients:DIN,3A,SMS,ISO/IDF,BS/RJT,ASME/BPE etc.
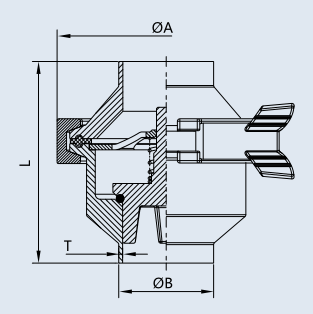
The body of check valve is divided into two parts,they are together by the clamp,and also use a
special gasket for seal.A guide discs and four guide bar are used to guide the spring,which equipped
with spindle with O type seal.This type of check valve connection:welde,clamp,and male.which are
suitable for all kinds of pipeline connections.

| SIZE | A | B | L | T |
| DN15 | 62.5 | 19.0 | 75.0 | 1.5 |
| DN20 | 62.5 | 23.0 | 75.0 | 1.5 |
| DN25 | 77.5 | 29.0 | 78.0 | 1.5 |
| DN32 | 77.5 | 35.0 | 78.0 | 1.5 |
| DN40 | 89.0 | 41.0 | 80.5 | 1.5 |
| DN50 | 105.0 | 53.0 | 86.0 | 1.5 |
| DN65 | 134.0 | 70.0 | 97.0 | 2.0 |
| DN80 | 145.0 | 85.0 | 105.0 | 2.0 |
| DN100 | 158.5 | 104.0 | 105.0 | 2.0 |